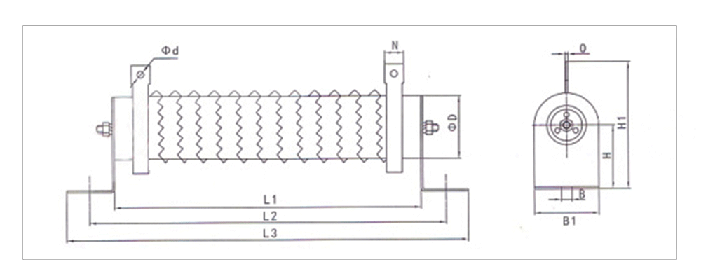
RX20 serie resistor is high power resistor/ripple resistor/waved ribbon power wire wound resistor/brake resistor/load resistor
Features:
Vertical corrugation on the surface is beneficial to heat dissipation, high power, strong overload capacity and high temperature resistance.
Application: suitable for elevators, port machines, rolling mills, windlass, generators, frequency converters, braking loads, aging, testing, etc.
Operating environment: rated power temperature (+70℃); Operating temperature range (-55℃ ~+375℃)




1.Power Derating Curve:
Rated power is the highest using power under 40℃ and continuous duty.at the same time,the overload power is fit for
mechanical properties and electrical properties,when the temperature is over 40℃,the power must be derated in accordance with the curve as below:

2.Standard electrical specifications:

3.Main testing items and experimental methods and performance requirements:
| Test items | Performance requirements | experimental method |
| Temperature coefficient of resistor | ≤250(x10-6℃) | -55℃/+20℃ 20℃/+125℃ |
| The strength of the terminal | ≤±(1%R+0.05Ω) | Rally 20N |
| Withstand voltage | No breakdown | 2500V DC 1min |
| Solderability | The solder can flow freely and wet with the terminals | 235±5℃ 2±0.5S |
| Heat-resistant soldering | ≤±(1%R+0.05Ω) | 260±5℃ 10±1S |
| Short-time overload | ≤±(2%R+0.05Ω) | 10 times the rated power for 5S |
| Rapid temperature change | ≤±(1%R+0.05Ω) | -55℃/+125℃ Loop 5 times |
| vibration | ≤±(1%R+0.05Ω) | 10-500Hz 98m/s2 |
| Long-term load | ≤±(2%R+0.05Ω) | +70±2℃ VR 1000h |
| Non-combustibility | Does not burn | 1-6 times rated power for 5 minutes |
| surface temperature | ≤350℃ | Applied rated power |
| Pulse tolerant | ≤±(0.2%R+0.05Ω) | MIL-STD-202 100g 6ms 10 tims |
| Steady state damp heat | ≤±(2%R+0.05Ω) | +40±2℃ humidity 95-98% 240h |


5.Selection of resistors:

Note:1. This product is a non-flammable resistor. When it is used for the first time, it may cause smoke. This is normal. Please feel free to use it. 2. This resistor non-combustible coating meets the UL-94 non-combustibility test. V-0 rating, burning duration is 0 seconds 3. Non-flammable resistors cannot be cleaned with organic solvents 4. Non-flammable resistors cannot be used in oil 5. Non-flammable resistors cannot be used on high frequency machines because of the inductance generated by the winding group. 6. In order to prevent aging over time, please ensure that the power used is within a reasonable range. 7. When the non-flammable resistor is at full load, the surface will produce a high temperature of about 350 ℃ -400 ℃. Please do not touch it by hand, and to ensure that the resistor can be used for a long time, please ensure that the surface temperature of the resistor is lower than 200℃.
————————————————————————————————————————————————————————-
|
|
Already the recent